廢棄物管理
伯鑫產出之事業廢棄物分為一般事業廢棄物,主要為廢油混合物、噴砂廢棄物以及無機污泥等,無有害事業廢棄物之產出,並依「廢棄物清理法」落實廢棄物管理
|
政策
|
妥善管理廢棄物對環境有積極的影響。透過減少廢棄物產生、回收再利用和正確處理廢棄物來降低其對環境的影響,同時提升企業的環境形象、有效降低對生態系統的損害。 |
|
承諾
|
|
伯鑫各廠區所產生之廢棄物皆為一般事業廢棄物,主要為廢油混合物、噴砂廢棄物、以及污泥混合物,無有害事業廢棄物之產出,伯鑫依據「廢棄物清理法」規定執行廢棄物處理,並落實資源回收機制,委由環保技師合法廢清書申請,並委託合格之清運及處理廠商處理申報,惟由於事業廢棄物產出量不大,大多暫存至廠內,待滿足清運量之後一併清除。此外,經由稽核人員定期及不定期至現場勘查,達到督促及追蹤之目的,確保各類廢棄物清理流向皆能妥善合法順利進行。2025年委託之清運商並無發生違約及違法之情事。
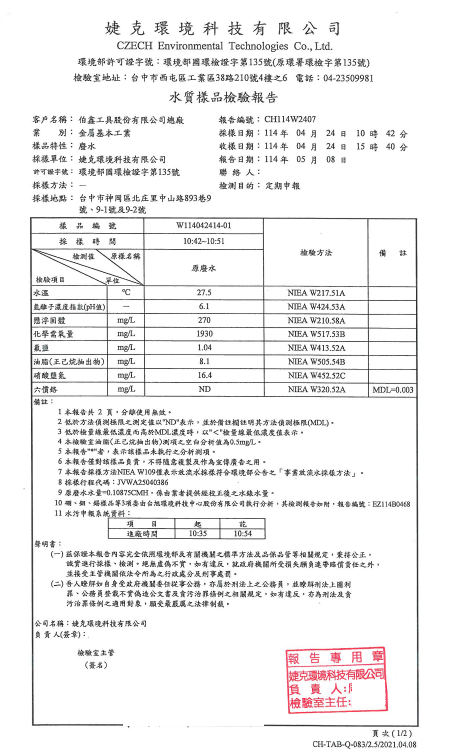
伯鑫設有廢水處理系統,其事業廢水來源主要來自清洗製程,均依法規設置廢水處理設備並取得主管機關核發之水汙染防治措施設置許可證,且該製程區域設獨立管路統一匯流至廢水處理設施,經處理達符合環保法規標準。每年均委請外部合格檢驗機構進行廢水水質檢測,而廠區廢水則每半年委請合格檢驗機構進行水質檢測。
2025年度水質檢測報告(節錄)
本公司廢棄物產出量(清運三聯單)如下,資料涵蓋範圍為母公司總廠及二廠:
|
年度
|
有害廢棄物 (公噸)
|
非有害廢棄物 (公噸)
|
總重量 (公噸) | 廢棄物密集度(公噸/百萬元營業額) |
| 112 | 0.00 | 82.83 |
82.83 | 0.12 |
| 113 | 0.00 | 53.59 |
53.59 |
0.09 |
| 114 |
0.00 |
93.44
|
93.44 |
0.18 |
伯鑫針對廢棄物減量秉持5R精神
Reduce 減少
減少丟棄的垃圾量
Reuse 重複使用
重複使用容器或產品
Repair 維修
重視維修保養,延長物品使用壽命
Refuse 拒用
拒絕購買過度包裝商品,拒用無環保觀念物品
Recycle 回收
回收使用再生物品
廢棄物管理作業流程及說明